Duotech傳感器,又稱雙T傳感器,是一種用于單一振動測量,單一沖擊脈沖測量或者振動和沖擊脈沖聯合測量解決方案。該傳感器安裝和SPM其它傳感器安裝孔相同,通常采用沖擊脈沖傳感器孔尺寸進行安裝。
傳感器外殼由不銹鋼制成的,適合于惡劣的環境。標準螺紋尺寸是M8。傳感器內部隔離隔離技術確保傳感器優良絕緣性能和抗射頻干擾能力。
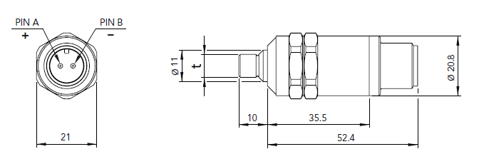
一、傳感器外形尺寸

二、傳感器安裝尺寸
三、傳感器性能參數
-
靈敏度:100 mv/g*
-
振動測量范圍:600 m/ S2 = 60 g
-
沖擊脈沖測量范圍:- 12至75 dB
-
橫向靈敏度:***大值為10%
-
基本應變靈敏度:0.01 m/s2/μ
-
振動測試頻率范圍:2 Hz到10KHz(3dB)
-
穩定時間:3秒。
-
偏置電壓:10至13V(典型為12v)
-
溫度范圍:- 40至125°C
-
電源:24伏,4至5毫安
-
外殼:不銹鋼耐酸鋼,拋光等級:1802,EN:1.4523
-
絕緣:外殼絕緣,大于10 KOhm,
-
安裝扭矩***大:10 Nm
-
重量:75克
-
接頭:2針,MIL
-
電纜長度:***大100米
四、訂貨號
A :部件類型號
B:接頭類型號,B為2針MIL-C-5015標準接頭
C:安裝連接螺紋,M8
五、系列號
六、應用場景
SPM的DUOTECH傳感器,集振動和沖擊脈沖技術于一身,即可測量振動,又可以測量沖擊脈沖。一種傳感器,兩種功能,相當于單一技術價格。
SPM的DUOTECH傳感器可以用于既要測量震動的場合,又可用于測量滾動軸承的場合。尤其齒輪箱類設備,特別適合。因為齒輪箱上既有齒輪,又有軸承,如果我們關心軸承狀況就采用沖擊脈沖采集沖擊信號,沖擊脈沖可以有效避免齒輪信號的干擾;如果我們關心齒輪的狀況,可以使用振動,通過圓坐標和高清階比技術,準確分析齒輪的狀況;如果我們不僅關系軸承狀況,又關心齒輪嚙合狀況,我們就兩種信號都進行采集分析。
SPM的DUOTECH傳感器廣泛用于風電行業的行星齒輪箱,水泥行業的立磨齒輪箱,石化行業的擠出造粒機齒輪箱,冶金行業的軋機齒輪箱等場合。