SPM振動傳感器為壓縮式壓電加速度計;每個單***調諧,帶有內置前置放大器,專為工業機械的振動監測而設計。電信號與傳感器外殼隔離。增強的電子器件和改進的環境特性在非常大的應用領域中提供了卓越的性能。
這些傳感器的設計能夠承受嚴酷的工業環境。不銹鋼、耐酸鋼外殼、外殼隔離和氣密密封使其非常堅固。
技術概述
SPM 振動傳感器有多種尺寸、配置和規格,可滿足您的需求。所有傳感器均內部隔離。頻率范圍是為永久安裝的傳感器指定的。使用磁腳時,頻率較高時測量結果會受到影響。
帶頂部入口的振動傳感器
連接替代方案:
TB = 2 針連接器 MIL-C-5015
TD = 4 針 M12 連接器

| 編號 | Ex | 安裝螺紋 | 鏈接 | 頻率范圍 | 靈敏度 |
| SLD121 | - | M6, M8, M10, UNF | TB | 2-1000 Hz | 1.2 mV/m/s2 |
| SLD122 | - | M6, M8, M10, UNF | TB | 2-5000 Hz | 4 mV/m/s2 |
| SLD144 | - | M8 tapped hole for mounting stud* | TB, TD | 2-10 000 Hz | 10 mV/m/s2 |
| SLD244 | Ex | M8 tapped hole for mounting stud* | TB, TD | 2-10 000 Hz | 10 mV/m/s2 |
* 安裝螺柱的螺紋尺寸為 M6、M8、M10 和 UNF 1/4"。
帶側面入口的振動傳感器
連接替代方案:
S = 側面接入,2 針連接器 MIL-C-5015

| 編號 | Ex | 安裝螺紋 | 鏈接 | 頻率范圍 | 靈敏度 |
| SLD144 | - | M6, M8, UNF | S | 2-10 000 Hz | 10 mV/m/s2 |
| SLD244 | Ex | M8 | S | 2-10 000 Hz | 10 mV/m/s2 |
頂部入口的振動傳感器 MEMS

| 編號 | Ex | 安裝螺紋 | 鏈接 | 頻率范圍 | 靈敏度 |
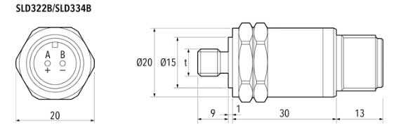
| SLD322B-M8 | - | M8 | 2-pin MIL | 1-2000 Hz | 4 mV/m/s2 |
| SLD322B-UNF | - | UNF 1/4" | 2-pin MIL | 1-2000 Hz | 4 mV/m/s2 |
| SLD334B-M8 | - | M8 | 2-pin MIL | 1-2000 Hz | 10 mV/m/s2 |
| SLD334B-UNF | Ex | UNF 1/4 " | 2-pin MIL | 1-2000 Hz | 10 mV/m/s2 |
帶側面入口的振動傳感器 MEMS

| 編號 | Ex | 安裝螺紋 | 鏈接 | 頻率范圍 | 靈敏度 |
| SLD334S-G | - | M3/Glue | 2-pin MIL | 1-2000 Hz | 10 mV/m/s2 |
安裝材料
連接器、電纜和服務盒
SPM 提供各種復合材料或不銹鋼材料的連接器。復合材料具有減振和減輕重量等優點,而不銹鋼可以承受機械力并在高溫和低溫下工作。
我們的連接器有不同類型的電纜,為了進一步確保安裝安全提供裸露的防酸不銹鋼導管。這些保護蓋滑到電纜上并固定到傳感器的連接器上。不銹鋼電纜夾可用于固定導管。為了保護電纜接頭免受濕氣和水的影響,可以使用不銹鋼、耐酸鋼服務盒。
請聯系您的SPM 代表010-68682336張經理